Benutzer-Werkzeuge

Webseiten-Werkzeuge


de:infra-convert:user:functions:viewcomp_workflow

Dies ist eine alte Version des Dokuments!


Schritt Aktion Ergebnis
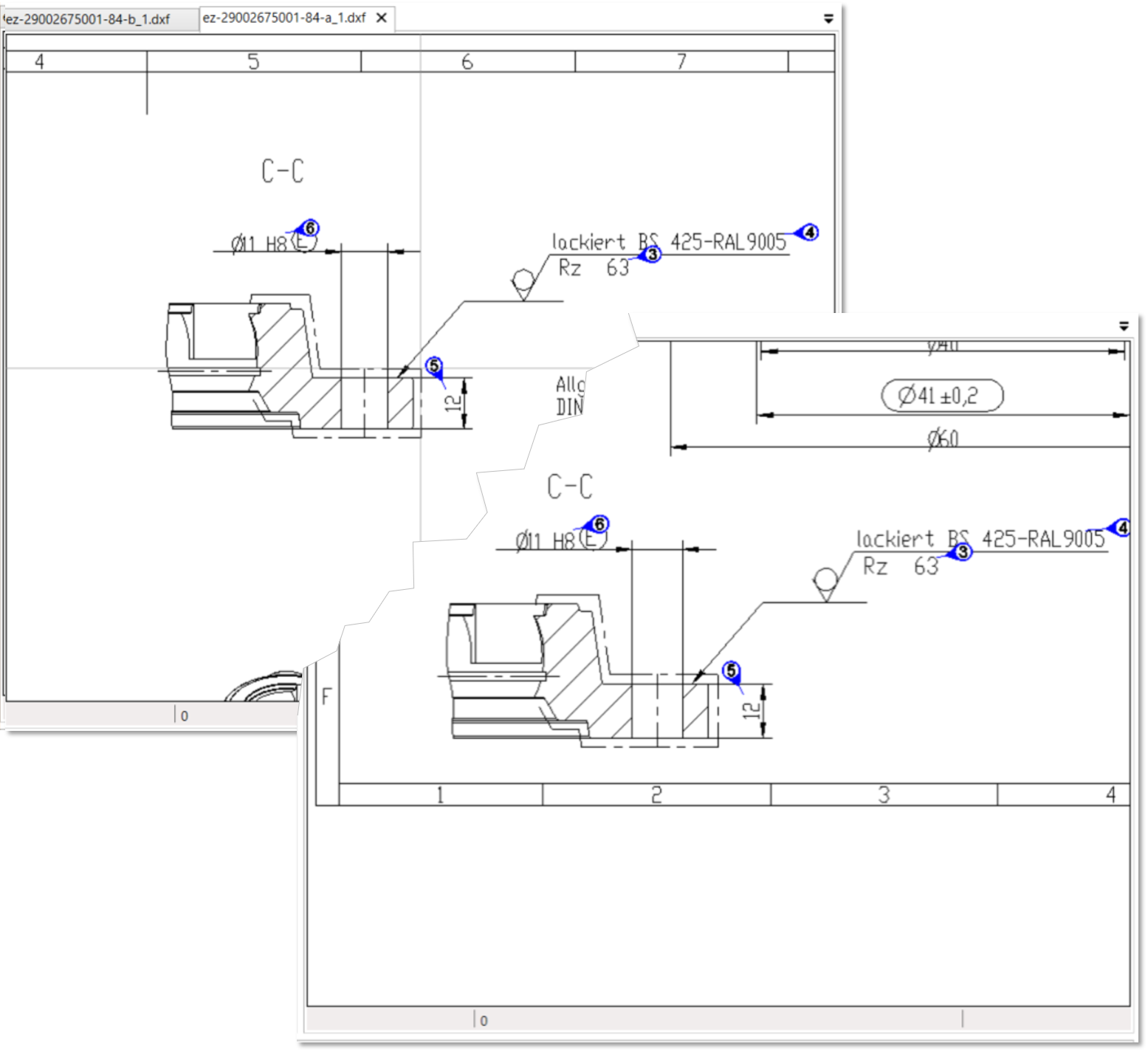
1 Zeichnungsblätter öffnen Öffnen Sie den Zeichnungsvergleich mit den Quell- und Zielzeichnungsblättern (Funktionen > Zeichnungen > Zeichnungen vergleichen > Schritte 1 bis 2). Die Funktionsfenster für den Zeichnungsvergleich sind geöffnet. Die zu vergleichende Ansicht befindet sich auf dem Quell- sowie dem Ziel-Zeichnungsblatt.

Im Beispiel wurde eine Ansicht von Blatt 1 auf Blatt 2 verschoben:
2 Zeichnungsansichten ausrichten 1) Heben Sie die Synchronisierung der Fenster durch Klick auf die Schaltfläche Fenster synchronisiert in der Werkzeugleiste auf: .
2) Aktivieren Sie die Hilfs-Mittellinien durch Klick auf die Schaltfläche in der Werkzeugleiste.
3) Richten Sie die Zeichnungsansichten so aus, dass jeweils die Mitte der Zeichnungsfenster auf einem gleichen Punkt in der Ansichten liegt, z. B. auf einer Ecke des Bauteils.

Beschränken Sie zudem den im Fenster angezeigten Bereich in etwa auf die Zeichnungsansicht.
Quell- und Ziel-Zeichnungsansicht sind zueinander ausgerichtet:
3 Merkmale übertragen Klicken Sie in der Werkzeugleiste auf die Schaltfläche In Ansicht übertragen. Die in den Ansichten sichtbaren Merkmale werden übertragen:
4 Merkmale zusammenfügen Gegebenenfalls nicht erkannte Merkmale können Sie nun zusammenfügen. Folgen Sie dafür den Anweisungen ab Schritt 5 im Kapitel Funktionen > Zeichnungen > Zeichnungen vergleichen.
de/infra-convert/user/functions/viewcomp_workflow.1520515207.txt.gz · Zuletzt geändert: 2018/03/08 14:20 von me