User Tools

Site Tools


en:infra-convert:user:functions:viewcomp

This is an old revision of the document!


User manual infra CONVERT > Functions > Characteristics

Compare drawing views (Pro version)


When a character is changed (by the creator of the drawing), it may transpire that individual views will be moved within the page itself or even to another page. If such drawing versions are compared with one another, infra CONVERT can no longer connect these views with one another (see Functions > Drawings > Compare drawings, Apply characteristics).

With the Compare drawing views function described here, you can apply characteristics to a view, independent of the location of the view in the new version of the drawing.

Content

 • Workflow
 • Customization


Workflow

Step Action Result
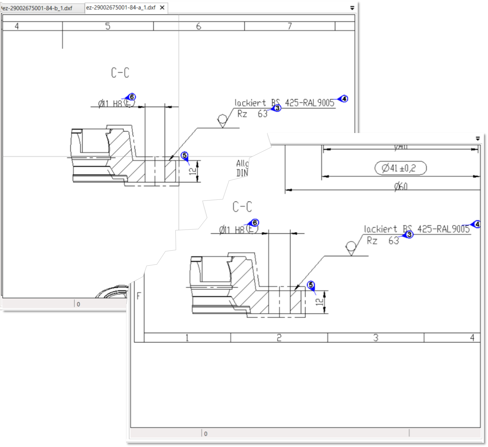
1 Open drawing sheets Open the drawing sheet comparison with the source and target drawing sheets (Functions > Drawings > Compare drawings > Steps 1 and 2). The function window for the drawing comparison is opened. The view to be compared is can be found on both the source and target drawing sheets.

In this example, a view has been moved from sheet 1 to sheet 2:
2 Align drawing views 1) Synchronise the window by clicking the Synchronise window button in the toolbar: .
2) Activate the centre guides by clicking on the button in the toolbar.
3) Align the drawing views so that the centre of each drawing window is set to the same point in the views, e.g. at the corner of an element.

You can also limit the area displayed in the window to match the drawing view.
The source and target drawing views are aligned with one another:
3 Apply characteristics Click on the Apply to view button in the toolbar. All of the characteristics visible in the views are applied:
4 Merge characteristics Any characteristics that have not been recognised can now be merged. To do this, please follow the instructions from step 5 onwards in the chapter Functions > Drawings > Compare drawings.


Customization

This function can be influenced via the following settings:

Manually inserted characteristics

Specify whether you want manually inserted characteristics to be transferred automatically during transfer. (Available from program version 1.2.1.6.)
See Settings > Settings > Stamp > “Transfer of manually inserted characteristics during drawing comparison” group



Go to previous page
Functions > Drawings > Compare drawings (Pro version)

Go to next page
Functions > Characteristics > Automatically stamp

en/infra-convert/user/functions/viewcomp.1547207685.txt.gz · Last modified: 2019/01/11 12:54 by me